




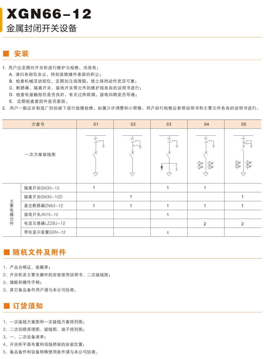
XGN66-12型固定式封闭开关设备(以下简称开关柜)是我公司新一代高压电器成套产品,符合国家标准GB3906《-35KV交流金属封 闭开关设备》电力部DLT404《户内交流高压开关柜订货技术条件》的要求,也满足国际标准IEC60298《1KV以上52KV以下交流金属封 闭开关设备和控制设备的要求》。 该产品吸收了国外先进技术,它体积小,仅是普通开关柜体保的50%;断路器具有可靠性高,性能好;“五防”联锁机构可靠、简 单等优点。开关柜是3.6、7.2、42KV三相交流电50HZ单母线分段的户内成套装置,作为接受和分配电能之用。并具有对电路进行控 制、保护和监测等功能,可使用在各类型发电厂、变电站及工矿企业,高层建筑等场所、也可与环网组合应用于开闭所中。